Web Analytics Made Easy - Statcounter
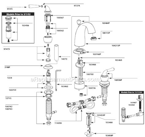
Vessel Bathroom Vanity Sink Diagram – The Stylish Plumbing Guide!

Vessel Bathroom Vanity Sink Diagram – The Stylish Plumbing Guide!

Vessel Bathroom Vanity Sink Diagram – The Stylish Plumbing Guide! Plumbing diagram for bathroom sink